Sagwon Section 1.5
| Sagwon Coals and Floras | Section 1 | Section 1.5 | Section 2 | Sections 3 and 4 | Sagwon Fossil Images |
|---|
![]() |
| Panorama showing part of the Sagwon section where section 1.5 was logged. |
|
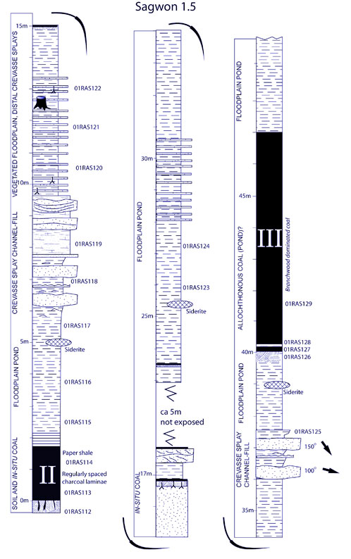
The sedimentary log and environmental interpretations shown on the left was produced by Anders Ahlberg during fieldwork in 2005. The log shows major Coals II and III that are laterally continuous throughout the Sagwon section, as well as some minor coal seams. Sample numbers are predominantly pollen or coal samples. Leaf fossils were found both in situ and as float at the base of the section and even these float specimens mostly represent the Early Sagwon phase of floral evolution.
|

